| Модель | Мкр, Н.м | n, об/мин | P, кВт | Цена | |
|---|---|---|---|---|---|
| 3МП-25 | 65-90 | 3.55-280 | 0.12-1.5 | — | в заявку |
| 3МП-31,5 | 115-230 | 3.55-280 | 0.18-5.5 | — | в заявку |
| 3МП-40 | 226-375 | 3.55-280 | 0.18-11 | — | в заявку |
| 3МП-50 | 371-750 | 3.55-280 | 0.18-15 | — | в заявку |
Представленные цены не являются публичной офертой, для уточнения цены свяжитесь с нашими менеджерами.
Мотор-редукторы предназначены для эксплуатации в режиме работы S1 (по ГОСТ 183-74) с продолжительностью работы до 24 ч/сут в следующих условиях:
3МП-31,5
|
Номинальн. частота вращения выход. вала, об/мин |
Номинальн. крутящий момент на выходном валу, Н.м |
Электро двигатель |
Мощность эл/двиг., кВт |
|
3,55 |
230 |
AИР63А6 |
0,18 |
|
4,4 |
230 |
AИР63А6 |
0,18 |
|
5,6 |
230 |
AИР63А6 |
0,18 |
|
7,1 |
230 |
AИР63B6 |
0,25 |
|
9 |
230 |
AИР63А4 |
0,25 |
|
12,5 |
181 |
AИР63А4 |
0,25 |
|
16 |
209 |
AИР63А2 |
0,37 |
|
18
|
190 |
AИР80А8 |
0,37 |
|
129 |
AИР71B8 |
0,25 |
|
|
22,4
|
227 |
AИР80B8 |
0,55 |
|
183 |
AИР71B8 |
0,25 |
|
|
28
|
182 |
AИР71B6 |
0,55 |
|
122 |
AИР71А6 |
0,37 |
|
|
35,5
|
195 |
AИР71B4 |
0,75 |
|
143 |
AИР71А4 |
0,55 |
|
|
45
|
154 |
AИР71B4 |
0,75 |
|
113 |
AИР71А4 |
0,55 |
|
|
56
|
182 |
AИР71B2 |
1,1 |
|
124 |
AИР71А2 |
0,75 |
|
|
71
|
195 |
AИР80А2 |
1,5 |
|
143 |
AИР71В2 |
1,1 |
|
|
90 |
226 |
AИР90L2 |
3,0 |
|
113 |
AИР80B2 |
2,2 |
|
|
112 |
186 |
AИР112МВ6 |
4,0 |
|
127 |
AИР112МА6 |
3,0 |
|
|
140 |
202 |
AИР100S6 |
5,5 |
|
148 |
AИР90L4 |
4,0 |
|
|
180 |
210 |
AИР100L4 |
7,5 |
|
115 |
AИР90L4 |
5,5 |
|
|
224 |
185 |
AИР100L4 |
7,5 |
|
127 |
AИР100S4 |
5,5 |
|
|
280 |
186 |
AИР100L2 |
11,0 |
|
135 |
AИР100S2 |
7,5 |
| Номинальн. частота вращения выход. вала, об/мин | Номинальн. крутящий момент на выходном валу, Н.м | Электродвигатель | Мощность эл/двиг., кВт |
| 3,55 | 230 | АИР63А6 | 0,18 |
| 4,4 | 230 | АИР63А6 | |
| 5,6 | 230 | АИР63А6 | |
| 7,1 | 230 | АИР63В6 | 0,25 |
| 9 | 230 | АИР63А4 | |
| 12,5 | 181 | АИР63А4 | |
| 16 | 209 | АИР63А2 | 0,37 |
| 18 | 190 | АИР80А8 | |
| 129 | АИР71B8 | 0,25 | |
| 22,4 | 227 | АИР80B8 | 0,55 |
| 183 | АИР71B8 | 0,25 | |
| 28 | 182 | АИР71B6 | 0,55 |
| 122 | АИР71А6 | 0,37 | |
| 35,5 | 195 | АИР71B4 | 0,75 |
| 143 | АИР71А4 | 0,55 | |
| 45 | 154 | АИР71B4 | 0,75 |
| 113 | АИР71А4 | 0,55 | |
| 56 | 182 | АИР71B2 | 1,1 |
| 124 | АИР71А2 | 0,75 | |
| 71 | 195 | АИР80А2 | 1,5 |
| 143 | АИР71B2 | 1,1 | |
| 90 | 226 | АИР80B2 | 2,2 |
| 113 | АИР71B2 | 1,1 | |
| 112 | 186 | АИР100LA6 | 2,2 |
| 127 | АИР90L6 | 1,5 | |
| 140 | 202 | АИР100S4 | 3,0 |
| 148 | АИР90L4 | 2,2 | |
| 180 | 210 | АИР100L4 | 4,0 |
| 115 | АИР90L4 | 2,2 | |
| 224 | 185 | АИР100L4 | 4,0 |
| 127 | АИР100S4 | 3,0 | |
| 280 | 186 | АИР100L2 | 5,5 |
| 135 | АИР100S2 | 4,0 |
3МП-40
|
Номинальн. частота вращения выход. вала, об/мин |
Номинальн. крутящий момент на выходном валу, Н.м |
Электро двигатель |
Мощность эл/двиг., кВт |
|
3,55 |
375 |
AИР63А6 |
0,18 |
|
4,4 |
371 |
AИР63А6 |
0,18 |
|
5,6 |
375 |
AИР63B6 |
0,25 |
|
7,1 |
375 |
AИР63B4 |
0,37 |
|
9 |
372 |
AИР63B4 |
0,37 |
|
12,5 |
375 |
AИР63B2 |
0,55 |
|
16 |
311 |
AИР63B2 |
0,55 |
|
18
|
375 |
AИР90LА8 |
0,75 |
|
283 |
AИР80B8 |
0,55 |
|
|
22,4
|
375 |
AИР80B6 |
1,1 |
|
227 |
AИР71B6 |
0,55 |
|
|
28
|
364 |
AИР80B6 |
1,1 |
|
248 |
AИР80А6 |
0,75 |
|
|
35,5
|
375 |
AИР80B4 |
1,5 |
|
287 |
AИР80А4 |
1,1 |
|
|
45
|
308 |
AИР80B4 |
1,5 |
|
226 |
AИР80A4 |
1,1 |
|
|
56
|
364 |
AИР90L4 |
2,2 |
|
248 |
AИР80B4 |
1,5 |
|
|
71
|
375 |
AИР90L2 |
3,0 |
|
287 |
AИР80B2 |
2,2 |
|
|
90 |
308 |
AИР90L2 |
3,0 |
|
226 |
AИР80B2 |
2,2 |
|
|
112 |
337 |
AИР112МВ6 |
4,0 |
|
253 |
AИР112МА6 |
3,0 |
|
|
140 |
371 |
AИР132S6 |
5,5 |
|
270 |
AИР112MB6 |
4,0 |
|
|
180 |
375 |
AИР132S4 |
7,5 |
|
289 |
AИР112M4 |
5,5 |
|
|
224 |
316 |
AИР132S4 |
7,5 |
|
232 |
AИР112M4 |
5,5 |
|
|
280 |
371 |
AИР132M4 |
11,0 |
|
253 |
AИР132S4 |
7,5 |
3МП-50
|
Номинальн. частота вращения выход. вала, об/мин |
Номинальн. крутящий момент на выходном валу, Н.м |
Электро двигатель |
Мощность эл/двиг., кВт |
|
3,55
|
459 |
АИР63А6 |
0,18 |
|
638 |
АИР71B8 |
0,25 |
|
|
4,4 |
762 |
АИР80А8 |
0,37 |
|
515 |
АИР71B8 |
0,25 |
|
|
5,6
|
750 |
АИР71B6 |
0,55 |
|
570 |
АИР71А6 |
0,37 |
|
|
7,1
|
702 |
АИР71А4 |
0,55 |
|
472 |
АИР63B4 |
0,37 |
|
|
9 |
755 |
АИР71B4 |
0,75 |
|
554 |
АИР71А4 |
0,55 |
|
|
12,5
|
750 |
АИР80А4 |
1,1 |
|
543 |
АИР71B4 |
0,75 |
|
|
16 |
523 |
АИР71B2 |
1,1 |
|
425 |
АИР71А2 |
0,75 |
|
|
18
|
750 |
АИР100L8 |
1,5 |
|
565 |
АИР90LB8 |
1,1 |
|
|
22,4 |
750 |
АИР100L6 |
2,2 |
|
620 |
АИР90L6 |
1,5 |
|
|
28 |
727 |
АИР100L6 |
2,2 |
|
400 |
АИP90L6 |
1,5 |
|
|
35,5 |
750 |
АИР100S4 |
3,0 |
|
573 |
АИР90L4 |
2,2 |
|
|
45 |
617 |
АИР100S4 |
3,0 |
|
452 |
АИР90L4 |
2,2 |
|
|
56 |
661 |
АИР100L4 |
4,0 |
|
496 |
АИР100S4 |
3,0 |
|
|
71 |
717 |
АИР100L2 |
5,5 |
|
521 |
АИР100S2 |
4,0 |
|
|
90 |
565 |
АИР100L2 |
5,5 |
|
411 |
АИР100S2 |
4,0 |
|
|
112 |
633 |
АИР132M6 |
7,5 |
|
464 |
АИР132S6 |
5,5 |
|
|
140 |
742 |
АИР160S6 |
11,0 |
|
506 |
АИР132M6 |
7,5 |
|
|
180
|
750 |
АИР160S4 |
15,0 |
|
577 |
АИР132M4 |
11,0 |
|
|
224
|
633 |
АИР160S4 |
15,0 |
|
464 |
АИР132M4 |
11,0 |
|
|
280 |
506 |
АИР160S4 |
15,0 |
|
371 |
АИР132M4 |
11,0 |
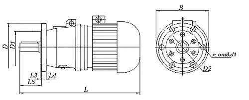
Габаритные и присоединительные размеры

| Мотор-редуктор | Частота вращения выходного вала, об/мин | L | B | H | L1 | L2 | B1 | B2 | H1 | H2 | H3 | d |
|---|---|---|---|---|---|---|---|---|---|---|---|---|
| Не более | ||||||||||||
| 3МП-25 | 3,55…16 | 397 | 150 | 160 | 63 | 110 | 120 | 150 | 80 | 12 | 20 | 12 |
| 18…90 | 417 | 160 | 171 | |||||||||
| 112…280 | 478 | 200 | 205 | |||||||||
| 3МП-31,5 | 3,55…16 | 460 | 190 | 215 | 82 | 130 | 155 | 190 | 100 | 15 | 25 | 15 |
| 18…90 | 510 | 200 | 225 | |||||||||
| 112…280 | 590 | 250 | 247 | |||||||||
| 3МП-40 | 3,55…16 | 500 | 224 | 247 | 110 | 170 | 180 | 220 | 112 | 20 | 63 | 20 |
| 18…90 | 625 | 250 | 247 | |||||||||
| 112…280 | 725 | 350 | 305 | |||||||||
| 3МП-50 | 3,55…16 | 637 | 270 | 295 | 145 | 210 | 220 | 265 | 132 | 22 | 43 | 22 |
| 18…90 | 682 | 270 | 295 | |||||||||
| 112…280 | 925 | 350 | 360 | |||||||||

| Мотор-редуктор | Частота вращения выходного вала, об/мин | L | B | L3 | L4 | L5 | D | D1 | D2 | d1 | n |
|---|---|---|---|---|---|---|---|---|---|---|---|
| Не более | |||||||||||
| 3МП-25 | 3,55…16 | 397 | 150 | 4 | 10 | 50 | 155 | 110 | 130 | 12 | 4 |
| 18…90 | 417 | 160 | |||||||||
| 112…280 | 478 | 200 | |||||||||
| 3МП-31,5 | 3,55…16 | 460 | 190 | 5 | 12 | 68 | 180 | 130 | 155 | 12 | 6 |
| 18…90 | 510 | 200 | |||||||||
| 112…280 | 590 | 250 | |||||||||
| 3МП-40 | 3,55…16 | 500 | 224 | 6 | 16 | 90 | 200 | 130 | 165 | 15 | 6 |
| 18…90 | 625 | 250 | |||||||||
| 112…280 | 725 | 350 | |||||||||
| 3МП-50 | 3,55…16 | 637 | 270 | 8 | 18 | 124 | 250 | 180 | 215 | 17 | 6 |
| 18…90 | 682 | 270 | |||||||||
| 112…280 | 925 | 350 | |||||||||

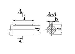
| Мотор-редуктор | d | l | b | t |
|---|---|---|---|---|
| 3МП-25 | 25k6 | 42 | 8 | 28 |
| 3МП-31,5 | 28k6 | 60 | 8 | 31 |
| 3МП-40 | 35k6 | 80 | 10 | 38 |
| 3МП-50 | 45k6 | 110 | 14 | 48,5 |

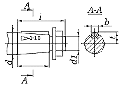
| Мотор-редуктор | d | d1 | l | l1 | b | t |
|---|---|---|---|---|---|---|
| 3МП-25 | 25 | М16х1,5 | 60 | 42 | 5 | 13,45 |
| 3МП-31,5 | 28 | М16х1,5 | 60 | 42 | 5 | 14,95 |
| 3МП-40 | 35 | М20х1,5 | 80 | 58 | 6 | 18,55 |
| 3МП-50 | 45 | М30х2,0 | 110 | 82 | 12 | 23,45 |

| Мотор-редуктор | d | l | b | t |
|---|---|---|---|---|
| 3МП-25 | по индивидуальному заказу | |||
|
3МП-31,5 |
25Н7 | 55 | 8 | 28,1 |
| 3МП-40 | 30Н7 | 70 | 8 | 33,1 |
| 3МП-50 | 40Н7 | 80 | 12 | 43, |
