Редукторы червячные одноступенчатые серии 5Ч2 являются приводами общего назначения и предназначены для увеличения крутящего момента и уменьшения частоты вращения различных машин и механизмов.
| Модель | Диапазон передаточных отношений | Мт, Н*м | Масса, кг | Цена | |
| 5Ч2 80/40 |
100…4000 |
355 |
38 |
—
|
в заявку
|
| 5Ч2 100/63 |
100…4000 |
790 |
68 |
—
|
в заявку
|
| 5Ч2 125/63 |
100…4000 |
1200…1600 |
93 |
—
|
в заявку
|
| 5Ч2 125/80 |
100…4000 |
2500...4000 |
107 |
—
|
в заявку
|
Представленные цены не являются публичной офертой, для уточнения цены свяжитесь с нашими менеджерами.
Условия применения редукторов
- нагрузка постоянная и переменная в пределах номинального
крутящего момента, одного направления и реверсивная;
- работа с периодическими остановками и длительная до 24 часов в
сутки;
- вращение валов в любую сторону без предпочтительности;
- частота вращения входного вала не более 1500 об/мин;
- атмосфера типов I и II по ГОСТ 15150-69 при запыленности
воздуха не более 10 мг/м3;
- климатические исполнения У, Т для категорий размещения 1—3 и
климатические исполнения УХЛ и О для категорий размещения 4 по ГОСТ
15150-69
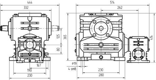
Габаритные и присоединительные размеры
Редуктор 5Ч2 80/40

Редуктор 5Ч2 100/63

Редуктор 5Ч2 125/63

Редуктор 5Ч2 125/80

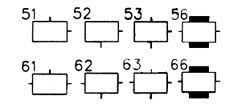
Схемы сборки редукторов

Варианты расположения червячной пары

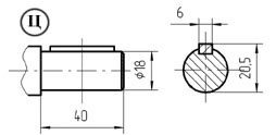
Размеры концов валов редукторов
Тихоходный вал 5Ч2 80/40 (исполнение Ц)

Тихоходный вал 5Ч2 100/63 (исполнение К1, Ц и К)

Тихоходный вал 5Ч2 125/63 и 5Ч2 125/80 (исполнение К1 и Ц)

Быстроходный вал 5Ч2 80/40 (исполнение К и Ц)

Быстроходный вал 5Ч2 100/63 и 5Ч2 125/63 (исполнение К и
Ц)

Быстроходный вал 5Ч2 125/80 (исполнение К и Ц)

Условное обозначение редуктора - расшифровка
Редуктор 5Ч2 - 125 - 63 - 51 -1 - 1 - 1 - К - Ц
- 1 - У2
- Тип редуктора
- Межосевое расстояние тихоходной ступени, мм
- Передаточное число
- Схема сборки
- Вариант крепления
- Вариант расположения червячной пары тихоходной ступени
- Вариант расположения червячной пары быстроходной ступени
- Исполнение конца входного вала
- Исполнение конца выходного вала
- Категория точности передачи
- Климатическое исполнение и категория размещения по ГОСТ
15150-69